1ère partie : Le travail avec un base part.
Durant le prochain travail pratique, vous serez invité à concevoir un objet au complet en utilisant le concept de pièce de base (base part). Il est important de bien comprendre comment créer des références entre les pièces et comment sauver les corps en fichier indépendants pour réaliser le travail.
L'utilisation d'esquisses de références

Quand on modélise dans Solidworks on veut créer des relations entre les éléments pour que les modifications soient plus rapides dans le futur. Il serait très long de devoir refaire toutes les fonctions parce qu’on a modifié quelque chose dans la première fonction d’une modélisation. Par contre, avoir des relations trop complexes entre les différentes fonctions n’est guère mieux. Le cauchemar d’une modélisation c’est quand toutes les fonctions ont des relations de mère/filles entremêle. Dans l’objectif de rendre les modifications à une modélisation le plus simple possible, on utilise des esquisses de références qui dans l’idéal devraient contrôler tout le reste de la modélisation. Idéalement, toutes les fonctions font référence à ces quelques esquisses et à rien d’autre. Ainsi on pourrait supprimer n’importe quelle fonction sans que le reste de l’arbre ne plante.
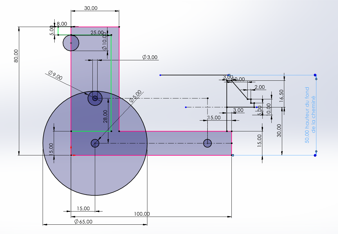
Dans une esquisse de base, on devrait retrouver toute l'information nécessaire à la modélisation plus tard. Si on a une mesure à ajuster, elle devrait être dans le base sketch et non dans la fonction. Comme dans l'exemple illustré ici, il n'est pas obligatoire d'avoir toute la forme du modèle à produire, il faut simplement les éléments qui permettront de créer les fonctions plus tard. Par exemple, dans le devant du train il y a une révolution pour faire le devant de la chaudière et pour faire une révolution il faut uniquement la moitié de la forme, l'esquisse de base montre donc uniquement la moitié de la forme.

Organiser ses esquisses
Les esquisses de références peuvent devenir extrêmement complexes, pour pouvoir s'y retrouver, il faut être discipliné et utiliser quelques petits trucs.
- Ajouter des explications manuscrites. (annotations et cotations intelligentes)
- Changer la couleur des esquisses
- Créer plusieurs esquisses pour regrouper les éléments par thématique ou par région.
Une règle importante quand on travaille avec une esquisse de référence, c'est qu'on n'y efface jamais rien, car on ne sait jamais si ce qu'on efface est lié à quelque chose dans la modélisation.
Limiter les dépendances inutiles entre les pièces.
Pour éviter de faire planter l'arbre de création, éviter le plus possible de créer des références entre vos fonctions. Au lieu de créer une esquisse sur la face d'une extrusion, utilisez plutôt un des 3 plans de référence TOP, FRONT, RIGHT. Ces plans ne disparaîtront jamais! Utilisez le décalage de l'extrusion et un point de référence pour extruder vos formes sans avoir à inclure de mesure dans les fonctions.

Si deux mesures doivent toujours être identiques, évitez de mettre 2 cotations pour ces 2 éléments,

Tentez plutôt d'ajouter des éléments de construction qui obligera Solidworks à garder ces 2 éléments identiques. Ici une ligne de construction vertical (rose) permet de lier les 2 mesures ensemble.

Ou en dernier recourt, utiliser des équations en ajoutant le symbole = dans la case de mesure. On limite le plus possible l'utilisation d'esquisses car celles-ci sont moins visuel et elles ne sont pas stables.

Si une mesure doit se retrouver à plusieurs endroits dans votre modélisation, il est possible de créer une référence constante dans votre fichier. On associe une valeur à un nom de constante et on peut mettre ce nom pour appeler la valeur. On peut par exemple se créer une constante "Épaisseur de plastique" avec une valeur de 2mm. Ainsi à chaque fois qu'on doit faire référence à l'épaisseur d'un plastique, au lieu d'écrire "2mm" dans la case on écrira ="Épaisseur de plastique". Partout où ce nom est mis, Solidworks utilisera la valeur de la constante. Si on change la valeur de la constante, l'épaisseur changera partout.
Pour créer la constante, ouvrez la palette propriété (fichier/propriétés...), entré le nom de la propriété et indiquez sa valeur (sans mettre les unités). Ensuite quand vous avez besoin de la valeur dans une boîte de mesure faite ="Nom de la propriété" (Attention, ne mettez pas les unités, ça ne marchera pas.

Voici la fonction coque qui utilise la constante Épaisseur.

Une pièce, un corps volumique
Pour créer les différentes pièces de notre travail, il faut créer des corps volumiques indépendants. Chaque corps unique pourra devenir une pièce dans le futur.
Sauver les corps dans des fichiers pièces indépendants.
Le but ultime de nos modélisations en temps que designer industriel c'est de produire des fichiers qui pourront être utilisés pour créer des moules et des plans 2D pour donner de l'information technique sur les pièces à construire.


Pour pouvoir faire un fichier pour l'usinage d'un moule ou pour faire un plan technique d'une pièce on doit la sauver dans un fichier pièce où il n'y aura qu'un corps volumique. Pour sauver nos corps qu'on a fait dans notre base part, il y a 2 manières de faire.

1. Faire la fonction Insertion/Fonction/Sauver les corps
2. Importe le base part dans un fichier pièce vide et faire la fonction Insertion/Fonction/Supprimer et conserver des corps, pour garder uniquement la pièce désirée.
Ces techniques ont des avantages et des inconvénients. Dans le cadre de notre cours, nous verrons la première technique, car elle est un peu plus simple et rapide à comprendre.
Terminer la modélisation dans le fichier pièce
Il y a plusieurs façons de travailler avec un base part.
- Uniquement des esquisses
- Des formes simples qui représentent uniquement les interfaces entre les différentes pièces
- Tout modéliser jusqu'à la fin.
2e partie:
La modélisation surfacique est un outil essentiel au travail d’un designer. Il vous permettra de modéliser toutes les formes que vous pouvez imaginer. C’est un outil qui vous donnera toute la liberté de créer. Solidworks n’est pas l’outil le plus performant sur le marché pour produire des surfaces extrêmement complexes, mais il vous permettra tout de même dans 99 % des cas de réaliser un travail de très bonne qualité sans trop d’effort. Durant ce cours nous verrons comment reconnaître un corps volumique solide d’un corps surfacique. Puisque la finalité de notre travail doit impérativement être une forme solide, il sera très important de distinguer les 2 types de modèles. Le travail en mode surfacique n’est pas indépendant du travail solide, durant une conception nous aurons à passer d’un mode à l’autre sans arrêt. Nous verrons donc aujourd’hui comment passer d’un solide à une surface et vis et-versa. Le travail surfacique est un gros volet du cours, faites donc attention de ne pas prendre de retard.